Skip to main content
Skip to footer
Home
About Us
Business Areas
Products
Modular Jack (Lead Wire Type)
Modular Jack (PCB Mount Type)
Modular Jack (PCB Mount EMI Type)
Modular Jack (PCB Mount Transformer Type)
Combo Jack (RJ+USB PCB mount Type)
Modular Plug
Universal Serial Bus (USB)
Universal Serial Bus (MINI USB)
IEEE 1394
Mini Din
DC POWER
Cord & Communication
Modular Hardware
Customer Support
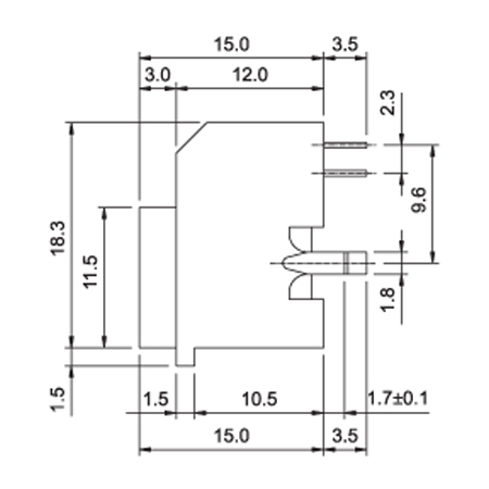
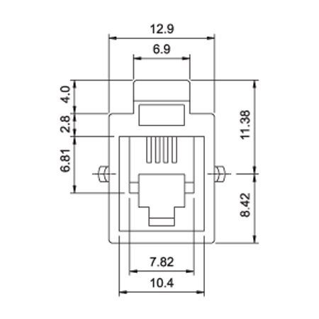
616PC
Category
Modular Jack (PCB Mount Type)
616B
616D
616E-A
616E-B
616F
616L
616LP
616M
616MS
616MT
616MV
616P
616T
616W
641.7
641IN
616IN
623IN
623D
623K
623MS
623T
652E
623PB-SD
623PR-SD
623PT-B-SD
623PT-S-SD
623PU-SD
623PU-FS
623PW-SD
657PG-SD
657PG-FS
657PG1-FS
657PG1-SD
657PG2-SD
657PG2-FS
657PP-SD
657PP-FS-L
657PR-SD
657PR-S-SD
657PT-SD
657PT-FS
657PT-S-SD
657PU-SD
657PU-FS
637P-SD-L
637L-SD-L
657PP4-SD-L
657PT4-SD
657PT4-S-SD
Products Category
Combo Jack (RJ+USB PCB mount Type)
3
Cord & Communication
66
DC POWER
5
IEEE 1394
6
Mini Din
5
Modular Hardware
10
Modular Jack (Lead Wire Type)
24
Modular Jack (PCB Mount EMI Type)
39
Modular Jack (PCB Mount Transformer Type)
4
Modular Jack (PCB Mount Type)
89
Modular Plug
12
Universal Serial Bus (MINI USB)
12
Universal Serial Bus (USB)
46
메뉴